
Editor in chief:
Inauguration:
International standard number:ISSN
Unified domestic issue:CN
Domestic postal code:
- Most Read
- Most Cited
- Most Downloaded
LU Zuliang , YANG Yan , ZHANG Zhonghua
2025, 45(5):1-9. DOI: 10.11823/j.issn.1674-5795.2025.05.01
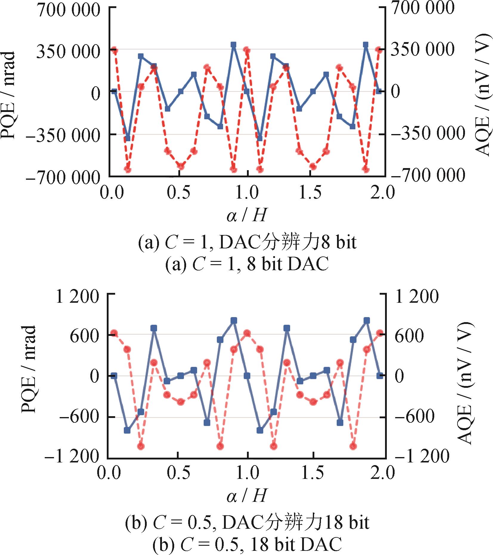
Abstract:To accurately achieve the desired phase angle during digital?to?analog conversion, a commonly used approach is to increase the conversion resolution. This method relies on finer amplitude?axis discretization to better approximate the original waveform. However, it comes with several disadvantages, such as high cost, slow conversion speed, and considerable power consumption. To solve these problems, this paper further explores a novel method — time?axis segmentation. A definition of quantization error is introduced, which includes both phase angle quantization error (PQE) and amplitude quantization error (AQE). Four essential conditions for the quantization process are presented. The paper also analyzes how the quantization error inherently varies with the phase angle. Simulation and experimental results are provided to validate the theoretical conclusions. The results show that the quantization errors exhibit a periodic distribution, with the error period being 1 / N of the signal cycle, where N denotes the number of samples per signal cycle. Within each error period, the quantization errors are symmetrically distributed. Moreover, a series of zero?points of the phase angle quantization error is derived, which are independent of both the conversion resolution and the signal amplitude. By adjusting N to link these zero?points with the desired phase angle, new application opportunities arise, which is expected to contribute to the advancement of phase angle standards and impedance bridge technology, and promote the use of high?speed, low?power, and cost?effective digital?to?analog converters.
CHENG Qian , HAO Can , LI Yang , GAO Chao , LIU Tong , DONG Dengfeng
2025, 45(5):10-18. DOI: 10.11823/j.issn.1674-5795.2025.05.02
Abstract:The diversity of materials and complex geometric shapes of the intelligent manufactured components lead to sparse 3D point clouds at edge regions, resulting in non?uniform density distribution across complex mechanical parts. This study proposes a hybrid filtering method integrating density?adaptive SOR and ROR to remove multiple noise types of complex component point clouds. The method firstly merges voxels of the segmented point clouds based on density similarity, then establishes minimum neighborhood points for ROR using merged voxel size exponents, afterward determines search radius through neighborhood average distances, and calculates SOR standard deviations using scaling coefficients. The proposed method was tested using classical 3D point cloud models. Experiment results demonstrates that the edge retention of post?processed point clouds significantly exceed those achieved by fixed?parameter filtering methods, while effectively preserving detail information in sparse regions, and the noise removal rate is also improved. Robustness tests conducted under varying noise levels confirm the consistent performance across different noise intensities. This method establishes a technical foundation for online inspection in intelligent manufacturing systems requiring high?fidelity geometric reconstruction.
HUANG Zhengwei , SU Piqiang , GUO Jie , SU Xizhi , DONG Jing
2025, 45(5):19-29. DOI: 10.11823/j.issn.1674-5795.2025.05.03
Abstract:To meet the requirements of multi?point and multi?parameter signal transmission in the limited installation space of the rotating parts test equipment for aeroengines, a six?module antenna based on a wireless telemetry system was developed. The design of the transmitting and receiving modules was made based on microstrip antenna technique to achieve the miniaturization of the device. The antenna model after packaging was established in the simulation software, and the influences of the thickness of the packaging glue, the dielectric constant of the material, and the tangent of the loss angle on the reflection coefficient (S11) and transmission coefficient (S21) of the antenna feeding port were analyzed. According to the simulation results, the design parameters were optimized, and the six?module antenna was developed and its performance was tested. The results show that the working frequency range of the antenna is 1.3 ~ 1.7 GHz, and the working bandwidth is not less than 40 MHz, which meets the signal transmission design requirements. Low?speed rotation tests were conducted under the conditions that the installation distances between the rotor and stator antennas were 8 mm and 10 mm, respectively, and high?speed rotation tests were conducted under the conditions of a rotational speed of 20 000 r / min and an ambient temperature of 80 ℃. The data packet loss rate of the system was less than 1% in both cases. The developed six?module antenna can reliably and efficiently transmit data from 60 measurement points and multiple types of data, providing strong support for the performance testing of rotating components such as compressors and turbines in aeroengines.
SHI Jinlong , FENG Lingling , ZHANG Lei , CHEN Yinsheng
2025, 45(5):30-39. DOI: 10.11823/j.issn.1674-5795.2025.05.04
Abstract:Aiming at the problem that the research on the reliability assignment method of the shore?landing unloading system is not perfect and the reliability assignment results need to be optimized, a reliability assignment method based on the improved whale optimization algorithm (IWOA) was proposed. According to the parallel and series logical relationships existing among various tasks of the shoreline unloading system, a reliability assignment model of the unloading system was constructed, and reliability allocation method based on the IWOA was designed to complete the relia?bility allocation of tasks. The simulation method was used to evaluate the assignment results of the proposed method, and the reliability assignment method for shore unloading operation was verified. The simulation results show that the optimal reliability of the system is 0.975, which can enhance the task reliability allocation capability of the shore unloading operation system.
LI Fuqiang , CHEN Peng , XIE Jiqing , CHEN Yongdang , CHANG Zhiyong
2025, 45(5):40-47. DOI: 10.11823/j.issn.1674-5795.2025.05.05
Abstract:Aiming at the problem that the efficiency and accuracy of existing measurement methods for geometric features of large?radius short arcs are difficult to meet the inspection requirements of mass?produced parts, a new measurement method is proposed. Firstly, a coordinate measuring machine is used to measure the two straight edges connected to the arc, and the intersection coordinates and included angle of the two straight lines are calculated. Then, the direction vector of the angle bisector is solved. The coordinate measuring machine is used to approach the workpiece along the direction vector from the intersection of the two straight lines, and the contact point between the coordinate measuring machine probe and the arc is recorded. The distance between the contact point and the intersection of the two straight lines is calculated, and finally the arc radius is obtained based on this distance. Experiments were conducted to verify the application effect of the proposed method, and the results show that compared with traditional measurement methods, this method has higher measurement accuracy and shorter time consumption. The research results are of great significance for promoting technological progress in the field of high?end manufacturing.
LIU Yuxuan , GUO Caiguohui , YU Chong , LI Chengcheng , Wang Luowen
2025, 45(5):48-67. DOI: 10.11823/j.issn.1674-5795.2025.05.06
Abstract:With the rapid development of industry and manufacturing in China, the traditional maintenance methods of mechanical equipment gradually can't meet the requirements of high?efficiency production, and the demand for real?time monitoring of mechanical equipment operation status is constantly rising. In recent years, the development and application of digital twin technology provide a new idea for the monitoring of mechanical equipment operation status. This paper describes the importance of mechanical equipment operation status monitoring and the basic concept of digital twins, focuses on the analysis of the relevant theory of information fusion in the field of digital twins, combs the multi?information fusion status monitoring technology, summarizes the advantages and disadvantages of each theory, and makes a comparative analysis. Finally, according to the research status of information fusion theory, the prospect is made from the application goal?oriented construction of digital twin model, the exploration of intelligent model real?time update technology, and the construction of sensor digital twin model, which provides a reference for the research and development of digital twin driven mechanical equipment operation status monitoring technology in the future.
ZHANG Weiwei , CHEN Zuowei , ZHAO Wei , YANG Beiya , JIA Hengyue , PAN Wei , SHI Haobin
2025, 45(5):68-78. DOI: 10.11823/j.issn.1674-5795.2025.05.07
Abstract:To explore the application of quantum walks in metrology, generalized Grover quantum walks and stepwise Grover quantum walks with arbitrary control parameters are proposed. The correlation between the corresponding clustering phenomena and the model's adjustable parameters were studied. The role of control parameters in the evolution of quantum walks was analyzed, revealing a clustering phenomenon based on control parameters: the evolution speed of the walker shows consistency with the entanglement between its coin space and position space. Further investigation into the probability distribution of the walker in different clusters shows that the probability distributions in each cluster exhibit different characteristics. In some clusters, the distribution tends to be concentrated, while in others, it is more dispersed. The experimental implementation of Grover quantum walks is discussed, and the applications of Grover quantum walks in metrology are addressed, highlighting their significance in achieving high?precision sensing, topological order measurement, and enhanced state tomography efficiency. The research findings provide strong support for the development of quantum walk?based information processing technologies.
LUO Guoxi , ZHANG Yuzhuo , JIA Zeng , LI Wenyan , ZHAO Libo
2025, 45(5):79-89. DOI: 10.11823/j.issn.1674-5795.2025.05.08
Abstract:Traditional strain gauges face challenges such as significant strain transfer errors and slow response during monitoring, severely limiting the engineering effectiveness. To addresses the monitoring requirements for strain, vibration, and clamp looseness in aviation hydraulic pipelines, this paper proposed a design and manufacturing method for in?situ preparation of thin?film strain sensors on hydraulic pipelines. A finite element analysis model for strain transfer errors was established, and the structural parameters of the resistive strain grating were optimized. Multi?layer hetero?thin films, including the Ni80Cr20 strain?sensitive layer, were prepared using magnetron sputtering technology. Through a five?axis laser etching process, the laser incidence angle and focal position were adjusted in real?time, achieving a high?precision control over the etching depth. Testing revealed that the prepared thin?film strain sensor exhibited a drift rate (DR) of 8.4 × 10-5 h-1, a temperature coefficient of resistance (TCR) of 1.3 × 10-4 ℃-1 in the range of -40 ~ 100 ℃, a gauge factor (GF) of 2.03 in the strain range of 0 ~ 500 με, and a response time of just 15 ns. Force hammer experiments confirmed the sensor's ability to detect and identify key information such as strain, vibration, and clamp tightness. This integrated manufacturing sensor holds promising applications in the field of aviation hydraulic pipeline condition monitoring.
SUN Xiaoqiang , FU Dongbo , ZHOU Xuanyu , HAO Wenhui , CHEN Longquan , ZHANG Dayuan
2025, 45(5):90-96. DOI: 10.11823/j.issn.1674-5795.2025.05.09
Abstract:A Brillouin frequency shift parameter calibration method based on optical carrier suppression modulation technology is proposed to meet the metrological calibration requirements for frequency shift of Brillouin optical time domain reflectometer (BOTDR) in distributed fiber sensors. Fiber Brillouin scattering signals were simulated using the frequency doubling signal generated by optical carrier suppression modulation technology, and a mathematical model and value traceability diagram between the Brillouin frequency shift reference value and the output signal frequency of the signal generator were provided, to achieve the value traceability of Brillouin frequency shift to the atomic time standard reference device. By adjusting the frequency of the output signal of the signal generator, the Brillouin frequency shift indication error at different frequency points within the frequency shift range can be obtained. Experiments were conducted to obtain calibration results for different frequency shift points within the range of 10.6 to 11.8 GHz, and an uncertainty analysis was performed. When the measured Brillouin frequency shift value is 10 998.38 MHz, the expanded uncertainty is 0.07 MHz (k = 2). This calibration method can meet the metrological traceability requirements for BOTDR frequency shift in the field of fiber optic sensing applications, providing strong support for promoting the performance improvement and widespread application of BOTDR.
ZHANG Chenyang , LIU Guangshun , MA Pengfei , CHEN Yinsheng
2025, 45(5):97-107. DOI: 10.11823/j.issn.1674-5795.2025.05.10
Abstract:To address the need for multi?component gas detection in complex environments, this paper presents the design and implementation of a portable multi?channel gas detection system based on metal?oxide semiconductor (MOS) sensors. The system integrates an eight?channel sensor array, a high?precision signal?acquisition circuit, and a low?power hardware. A multi?branch convolutional neural network combined with a bidirectional long short?term memory network is employed to achieve automatic feature extraction and temporal modeling of multi?channel signals. Experiments using CO, C2H5OH, and their interfering gases and mixtures as the research subjects demonstrate that the system exhibits linear responses and high detection accuracy across different ranges of concentration. Comparative tests validate that the sensor?fusion strategy improves classification accuracy, enhances robustness, and increases adaptability to complex environments, with the classification accuracy for mixed gases reaching up to 100%. This study provides a reliable technical basis and practical reference for multi?component gas detection in environmental monitoring, industrial safety, and public health applications.
ZHENG Dezhi , DONG Xiaoyuan , CHEN Aobei , SUN Ying , HU Chun , WANG Shuai
2025, 45(5):108-117. DOI: 10.11823/j.issn.1674-5795.2025.05.11
Abstract:To meet the stringent requirements for high accuracy, wide dynamic range, and rapid response of pressure sensors under the complex operating conditions of high?speed train traction and braking systems, this study presents the design, fabrication, and multiphysics optimization of a high?performance piezoresistive pressure sensor chip. By emplo?ying multiphysics coupling modeling theory in combination with a structural parameter optimization approach, this study systematically investigates the synergistic influence of diaphragm thickness, piezoresistor layout, and doping concentration on sensor performance, and proposes a parameterization?based stiffness?sensitivity co?optimization strategy for the diaphragm. Furthermore, by developing an eight?mask photolithography process and a composite wet etching technique based on KOH / IPA, a submicron?level control accuracy of diaphragm thickness was achieved. Finite element simulation results demonstrate a sensitivity of 56.987 mV / kPa, a nonlinearity of 0.048% FS, and structural stability under 300% overpressure. This work addresses a key technological bottleneck in high?accuracy pressure sensor fabrication and lays the foundation for fully localized production of safety?critical sensing components in next?generation traction systems for high?speed train.

Editor in chief:
Inauguration:
International standard number:ISSN
Unified domestic issue:CN
Domestic postal code: